The English encyclopedia Allmultimedia.org will be launched in two phases.
The final launch of the Allmultimedia.org will take place on February 24, 2026
(shortly after the 2026 Winter Olympics).

.30-06 Springfield

Z Multimediaexpo.cz

Verze z 9. 10. 2009, 13:30; Sysop (diskuse | příspěvky)
(rozdíl) ← Starší verze | zobrazit aktuální verzi (rozdíl) | Novější verze → (rozdíl)
Cartridge 30-06.png
8 nábojů .30-06 v clipu pro M1 Garand.

Náboj .30-06 Springfieldráži .308" (7,62mm). V americké armádě se začal používat roku 1906 a jeho používání pokračovalo až do 60. let 20. století, kdy byl nahrazen nábojem 7,62 x 51 mm NATO . Ale ještě v 70. letech 20. století se používal v kulometech.

Obsah

Náboje které nahradil

Byl vyvinut z téměř identického náboje .30-03 malým zkrácením nábojnice a zvýšením úsťové rychlosti. Zavedením tohoto náboje se také přestaly používat starší náboje .30-40 Krag a 6 mm Lee Navy. Po vzoru německého 8 x 57 IS a francouzského 8 mm Lebel byla u tohoto náboje zaveda špičaná střela, která znamenala podstatné zlepšení dostřelu i balistické křivky - dráha střely byla plošší.

Zbraně které používaly tento náboje

Opakovací puška Springfield M 1903, která se začala používat kdysi spolu s nábojem .30-03 byla rychle modifikována na náboj .30-06 Springfield. Používal se také v pušce M1917 Enfield, poloautomatické M1 Garand, automatické M1918 Browning a mnohých kulometech, např. série M1919.

Použití

USA tento náboj používaly v obou světových válkách a v Korejské válce. Posledního velkého využití se dočkal ve Vietnamské válce

Tento náboj je vhodný pro lov velkých savců jako je jelen nebo los

Výkon

Jedná se o velmi silný náboj. Byl zkonstruován v době, kdy se předpokládala střelba na 1000m. V roce 1906 obsahoval střelu o hmotnosti 150 grainů (9,7g), pláštovanou střelu s plochým dnem. Po První světové válce bylo potřeba zvýšit výkon na dlouhou vzdálenost u kulometů a tak se začala používat střela o hmotnosti 173 grainů (11,2g) tvaru boat-tail.

Varianty používané Americkou armádou

  • Armor Piercing, M2 - průbojný náboj proti lehce pancéřovaným cílům.
  • Armor Piercing Incendiary, T15/M14 and M14A1 - průbojný a zápalný náboj.
  • Ball, M1906
  • Ball, M1
  • Ball, M2
  • Blank, M1909 - slepý náboj, neobsahuje projektil.
  • Dummy, M40 - cvičný náboj; Neobsahuje střelný prach ani zápalku.
  • Explosive, T99
  • Incendiary, M1917 - zápalný náboj.
  • Incendiary, M1918 - zápalný náboj.
  • Incendiary, M1 - zápalný náboj.
  • Match, M72 - náboj pro soutěžní přesnou střelbu.
  • Tracer, M1 - náboj se stopovkou.
  • Tracer, M2 - náboj se stopovkou.
  • Tracer, T10/M25 - náboj se stopovkou.

Příklady zbraní americké armády používající tento náboj

Lovecké náboje odvozené od tohoto náboje

Byl z něj také vytvořen náboj 7,62 x 51 mm NATO - viz 7,62 x 51 mm NATO.

Specifikace

Varianty používané U.S. armádou:

  • Ball Cartridge, caliber 30, Model of 1906 - používán za 1. světové války, zaveden společně s opakovačkou Springfield 1903. 9,6 g, 820 m/s, 3.228 J.
  • Cartridge, Ball, caliber 30 M1 - zaveden v roce 1926 - 11 g, 820 m/s, 3.698 J, později 805 m/s, 3.564 J.
  • Cartridge, Ball, caliber 30 M2 - zaveden v roce 1940 - 9,6 g, 820 m/s, 3.228 J. Pro použití s slavnou samonabíjecí M1 Garand, pro použití v kulometech zůstal 30 M1.

základní parametry náboje:

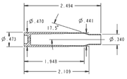
  • Průměr střely: .308" (7.85 mm)
  • Celková délka náboje: 3.34" (84.84 mm)
  • Největší průměr nábojnice: 12,01 mm - shodný s 7,62 x 51 mm NATO

Typ zápalky: velká pušková

Pro ovecké provedení byl náboj uvolněn již v roce 1908. Používají se do něj střely od 3,56g až do 16,2g. Se střelou 11g se obvykle laboruje na 800 m/s, 3.520 J. Je dosud považován americkými lovci za standard a ostatní náboje jsou s ním srovnávány.

Synonyma názvu

  • .30 Springfield
  • .30 Browning
  • .30 US M.1906
  • .30-200-06
  • 7,62 mm Long
  • 7,62 mm M.1949
  • 7,62 x 63 US
  • (7,62 x 63)

Související články

Externí odkazy